首页 > IC丝印反查 > NAB23

丝印NAB23 SOT-23-6 SOT-26 Datasheet规格书 多通道MOS管

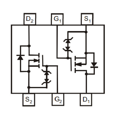
封装图
图片仅为示意图。应从产品
数据表中获得确切规格
记录 2018-08-26 15:17:39
丝印NAB23
markingcode:NAB23 类别:多通道MOS管
外壳:SOT-23-6 外壳:SOT-26
引脚数:6 Datasheet规格书
G(Gate)引脚:- 包装:
D(Drain)引脚:- 等级:-
S(Source):
权限:VIP开放
反查型号: VIP开放
功能定义图参考
SELECT COLUMN_NAME as bt,COLUMN_COMMENT as bz,SUBSTRING(COLUMN_COMMENT,2,1) as zss_px FROM INFORMATION_SCHEMA.Columns WHERE table_name='golon_jtg_fet_mosfet_zl' AND table_schema='golon' and COLUMN_COMMENT like '*%' and COLUMN_COMMENT REGEXP '[0-9]' ORDER by zss_px limit 6array(6) { [0]=> array(3) { ["bt"]=> string(5) "fetlx" ["bz"]=> string(13) "*1Fet类型*1" ["zss_px"]=> string(1) "1" } [1]=> array(3) { ["bt"]=> string(5) "ldjdy" ["bz"]=> string(25) "*2漏源极电压(vdss)*2" ["zss_px"]=> string(1) "2" } [2]=> array(3) { ["bt"]=> string(7) "dl_lxlj" ["bz"]=> string(27) "*3电流-连续漏极(id)*3" ["zss_px"]=> string(1) "3" } [3]=> array(3) { ["bt"]=> string(6) "gn_zdz" ["bz"]=> string(19) "*4最大功率值*4" ["zss_px"]=> string(1) "4" } [4]=> array(3) { ["bt"]=> string(5) "fetgn" ["bz"]=> string(13) "*5Fet功能*5" ["zss_px"]=> string(1) "5" } [5]=> array(3) { ["bt"]=> string(4) "gzwd" ["bz"]=> string(16) "*6工作温度*6" ["zss_px"]=> string(1) "6" } }
主要参数 相关问题与支持
Fet类型: 2 N-通道(双) 1.NAB23丝印反查常见问题
漏源极电压(vdss): 20V 2.
电流-连续漏极(id): 540mA 3.
最大功率值: 225mW 4.
Fet功能: 逻辑电平门 5.
工作温度: -65°C ~ 150°C(TJ) 更多参考....

关键词:丝印NAB23,标识NAB23,芯片代码NAB23,NAB23反查型号,丝印代码NAB23,NAB23型号,NAB23原厂型号

参数词:NAB23 SOT-26|NAB23 SOT-23-6|NAB23 Fet类型: 2 N-通道(双)|NAB23 漏源极电压(vdss): 20V |NAB23 电流-连续漏极(id): 540mA|NAB23 多通道MOS管

select mpnid_gl_dm,gl_dm,dmbm from golon_jtg_fet_mosfet_zl_gl_dm where id>155880 and id<156880 and gl_dm not in ('代码重复','NAB23') and gl_dm not like '%*%' limit 0,300
热门丝印
NAB24  NAB25  NAB26  NAB27  NAB28  NAB29  NAB2A  NAB2B  NAB2C  NAB2D  NAB2E  NAB2F  NAB2G  NAB2H  NAB2I  NAB2J  NAB2K  NAB2L  NAB2M  NAB2N  NAB2O  NAB2P  NAB2Q  NAB2R  NAB2S  NAB2T  NAB2U  NAB2V  NAB2W  NAB2X  NAB2Y  NAB2Z  NAB30  NAB31  NAB32  NAB33  NAB34  NAB35  NAB36  NAB37  NAB38  NAB39  NAB3A  NAB3B  NAB3C  NAB3D  NAB3E  NAB3F  NAB3G  NAB3H  NAB3I  NAB3J  NAB3K  NAB3L  NAB3M  NAB3N  NAB3O  NAB3P  NAB3Q  NAB3R  NAB3S  NAB3T  NAB3U  NAB3V  NAB3W  NAB3X  NAB3Y  NAB3Z  NAB40  NAB41  NAB42  NAB43  NAB44  NAB45  NAB46  NAB47  NAB48  NAB49  NAB4A  NAB4B  NAB4C  NAB4D  NAB4E  NAB4F  NAB4G  NAB4H  NAB4I  NAB4J  NAB4K  NAB4L  NAB4M  NAB4N  NAB4O  NAB4P  NAB4Q  NAB4R  NAB4S  NAB4T  NAB4U  NAB4V  NAB4W  NAB4X  NAB4Y  NAB4Z  NAB50  NAB51  NAB52  NAB53  NAB54  NAB55  NAB56  NAB57  NAB58  NAB59  NAB5A  NAB5B  NAB5C  NAB5D  NAB5E  NAB5F  NAB5G  NAB5H  NAB5I  NAB5J  NAB5K  NAB5L  NAB5M  NAB5N  NAB5O  NAB5P  NAB5Q  NAB5R  NAB5S  NAB5T  NAB5U  NAB5V  NAB5W  NAB5X  NAB5Y  NAB5Z  NAB60  NAB61  NAB62  NAB63  NAB64  NAB65  NAB66  NAB67  NAB68  NAB69  NAB6A  NAB6B  NAB6C  NAB6D  NAB6E  NAB6F  NAB6G  NAB6H  NAB6I  NAB6J  NAB6K  NAB6L  NAB6M  NAB6N  NAB6O  NAB6P  NAB6Q  NAB6R  NAB6S  NAB6T  NAB6U  NAB6V  NAB6W  NAB6X  NAB6Y  NAB6Z  NAB70  NAB71  NAB72  NAB73  NAB74  NAB75  NAB76  NAB77  NAB78  NAB79  NAB7A  NAB7B  NAB7C  NAB7D  NAB7E  NAB7F  NAB7G  NAB7H  NAB7I  NAB7J  NAB7K  NAB7L  NAB7M  NAB7N  NAB7O  NAB7P  NAB7Q  NAB7R  NAB7S  NAB7T  NAB7U  NAB7V  NAB7W  NAB7X  NAB7Y  NAB7Z  NAB80  NAB81  NAB82  NAB83  NAB84  NAB85  NAB86  NAB87  NAB88  NAB89  NAB8A  NAB8B  NAB8C  NAB8D  NAB8E  NAB8F  NAB8G  NAB8H  NAB8I  NAB8J  NAB8K  NAB8L  NAB8M  NAB8N  NAB8O  NAB8P  NAB8Q  NAB8R  NAB8S  NAB8T  NAB8U  NAB8V  NAB8W  NAB8X  NAB8Y  NAB8Z  NAB90  NAB91  NAB92  NAB93  NAB94  NAB95  NAB96  NAB97  NAB98  NAB99  NAB9A  NAB9B  NAB9C  NAB9D  NAB9E  NAB9F  NAB9G  NAB9H  NAB9I  NAB9J  NAB9K  NAB9L  NAB9M  NAB9N  NAB9O  NAB9P  NAB9Q  NAB9R  NAB9S  NAB9T  NAB9U  NAB9V  NAB9W  NAB9X  NAB9Y  NAB9Z  NABA0  NABA1  NABA2  NABA3  NABA4  NABA5  NABA6  NABA7  NABA8  NABA9  NABAA  NABAB  NABAC  NABAD  NABAE  NABAF 
 

×
开通账户:

(您当前为VIP会员,享受VIP会员特权,可续费!)

我的会员:
  • VIP会员

会员价格:
  • 1周

    ¥ 49.9

    促销

  • 1个月

    ¥ 99.9

    打九折

  • 12个月

    ¥ 499

    打八折

平台支付:
复制成功
销售在线 销售在线 工程师在线 工程师在线 电话咨询

销售在线

刘s:2355289363

手机: 15074164838

销售在线

陈s:2355289368

手机: 13510573285

工程师在线

吴工:2355289360

手机: 13824329149

工程师在线

陈工:2355289365

手机: 15818753382

电话咨询

0755-28435922