首页 > IC丝印反查 > PI34

丝印PI34 SOT-23-6 SOT-23-6 Datasheet规格书 线性稳压器(固定/可调...)

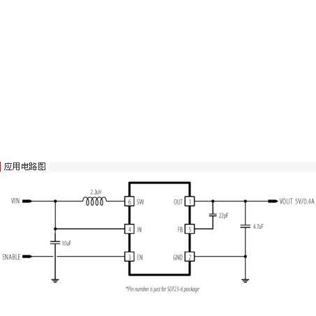
封装图
图片仅为示意图。应从产品
数据表中获得确切规格
记录 2020-08-12 11:13:44
丝印PI34
markingcode:PI34 类别:线性稳压器(固定/可调...)
外壳:SOT-23-6 外壳:SOT-23-6
引脚数:6 Datasheet规格书
G(Gate)引脚:2 包装:
D(Drain)引脚:4 等级:-
S(Source):
权限:VIP开放
反查型号: VIP开放
功能定义图参考
SELECT COLUMN_NAME as bt,COLUMN_COMMENT as bz,SUBSTRING(COLUMN_COMMENT,2,1) as zss_px FROM INFORMATION_SCHEMA.Columns WHERE table_name='golon_pmic_wyq_xx' AND table_schema='golon' and COLUMN_COMMENT like '*%' and COLUMN_COMMENT REGEXP '[0-9]' ORDER by zss_px limit 6array(6) { [0]=> array(3) { ["bt"]=> string(9) "dy_sr_max" ["bz"]=> string(34) "*1输入电压(V)(最大值)*1" ["zss_px"]=> string(1) "1" } [1]=> array(3) { ["bt"]=> string(9) "dy_sc_min" ["bz"]=> string(34) "*2输出电压(最小/固定)值*2" ["zss_px"]=> string(1) "2" } [2]=> array(3) { ["bt"]=> string(9) "dy_sc_max" ["bz"]=> string(34) "*3输出电压(V)(最大值)*3" ["zss_px"]=> string(1) "3" } [3]=> array(3) { ["bt"]=> string(6) "wyqszx" ["bz"]=> string(16) "*4稳压器数*4" ["zss_px"]=> string(1) "4" } [4]=> array(3) { ["bt"]=> string(4) "sclx" ["bz"]=> string(16) "*5输出类型*5" ["zss_px"]=> string(1) "5" } [5]=> array(3) { ["bt"]=> string(8) "dl_sc_zx" ["bz"]=> string(20) "*6输出电流(A) *6" ["zss_px"]=> string(1) "6" } }
主要参数 相关问题与支持
输入电压(V)(最大值): 1.PI34丝印反查常见问题
输出电压(最小/固定)值: 2.
输出电压(V)(最大值): 3.
稳压器数: 4.
输出类型: 5.
输出电流(A) : 更多参考....

关键词:丝印PI34,标识PI34,芯片代码PI34,PI34反查型号,丝印代码PI34,PI34型号,PI34原厂型号

参数词:PI34 SOT-23-6|PI34 SOT-23-6|PI34 输入电压(V)(最大值): |PI34 输出电压(最小/固定)值: |PI34 输出电压(V)(最大值): |PI34 线性稳压器(固定/可调...)

select mpnid_gl_dm,gl_dm,dmbm from golon_pmic_wyq_xx_gl_dm where id>34374972 and id<34375972 and gl_dm not in ('代码重复','PI34') and gl_dm not like '%*%' limit 0,300
热门丝印
PI35  PI36  PI37  PI38  PI39  PI3A  PI3B  PI3C  PI3D  PI3E  PI3F  PI3G  PI3H  PI3I  PI3J  PI3K  PI3L  PI3M  PI3N  PI3O  PI3P  PI3Q  PI3R  PI3S  PI3T  PI3U  PI3V  PI3W  PI3X  PI3Y  PI3Z  PI40  PI41  PI42  PI43  PI44  PI45  PI46  PI47  PI48  PI49  PI4A  PI4B  PI4C  PI4D  PI4E  PI4F  PI4G  PI4H  PI4I  PI4J  PI4K  PI4L  PI4M  PI4N  PI4O  PI4P  PI4Q  PI4R  PI4S  PI4T  PI4U  PI4V  PI4W  PI4X  PI4Y  PI4Z  PI50  PI51  PI52  PI53  PI54  PI55  PI56  PI57  PI58  PI59  PI5A  PI5B  PI5C  PI5D  PI5E  PI5F  PI5G  PI5H  PI5I  PI5J  PI5K  PI5L  PI5M  PI5N  PI5O  PI5P  PI5Q  PI5R  PI5S  PI5T  PI5U  PI5V  PI5W  PI5X  PI5Y  PI5Z  PI60  PI61  PI62  PI63  PI64  PI65  PI66  PI67  PI68  PI69  PI6A  PI6B  PI6C  PI6D  PI6E  PI6F  PI6G  PI6H  PI6I  PI6J  PI6K  PI6L  PI6M  PI6N  PI6O  PI6P  PI6Q  PI6R  PI6S  PI6T  PI6U  PI6V  PI6W  PI6X  PI6Y  PI6Z  PI70  PI71  PI72  PI73  PI74  PI75  PI76  PI77  PI78  PI79  PI7A  PI7B  PI7C  PI7D  PI7E  PI7F  PI7G  PI7H  PI7I  PI7J  PI7K  PI7L  PI7M  PI7N  PI7O  PI7P  PI7Q  PI7R  PI7S  PI7T  PI7U  PI7V  PI7W  PI7X  PI7Y  PI7Z  PI80  PI81  PI82  PI83  PI84  PI85  PI86  PI87  PI88  PI89  PI8A  PI8B  PI8C  PI8D  PI8E  PI8F  PI8G  PI8H  PI8I  PI8J  PI8K  PI8L  PI8M  PI8N  PI8O  PI8P  PI8Q  PI8R  PI8S  PI8T  PI8U  PI8V  PI8W  PI8X  PI8Y  PI8Z  PI90  PI91  PI92  PI93  PI94  PI95  PI96  PI97  PI98  PI99  PI9A  PI9B  PI9C  PI9D  PI9E  PI9F  PI9G  PI9H  PI9I  PI9J  PI9K  PI9L  PI9M  PI9N  PI9O  PI9P  PI9Q  PI9R  PI9S  PI9T  PI9U  PI9V  PI9W  PI9X  PI9Y  PI9Z  PIA0  PIA1  PIA2  PIA3  PIA4  PIA5  PIA6  PIA7  PIA8  PIA9  PIAA  PIAB  PIAC  PIAD  PIAE  PIAF  PIAG  PIAH  PIAI  PIAJ  PIAK  PIAL  PIAM  PIAN  PIAO  PIAP  PIAQ  PIAR  PIAS  PIAT  PIAU  PIAV  PIAW  PIAX  PIAY  PIAZ  PIB0  PIB1  PIB2  PIB3  PIB4  PIB5  PIB6  PIB7  PIB8  PIB9  PIBA  PIBB  PIBC  PIBD  PIBE  PIBF  PIBG 
 

×
开通账户:

(您当前为VIP会员,享受VIP会员特权,可续费!)

我的会员:
  • VIP会员

会员价格:
  • 1周

    ¥ 49.9

    促销

  • 1个月

    ¥ 99.9

    打九折

  • 12个月

    ¥ 499

    打八折

平台支付:
复制成功
销售在线 销售在线 工程师在线 工程师在线 电话咨询

销售在线

刘s:2355289363

手机: 15074164838

销售在线

陈s:2355289368

手机: 13510573285

工程师在线

吴工:2355289360

手机: 13824329149

工程师在线

陈工:2355289365

手机: 15818753382

电话咨询

0755-28435922